Beschreibung
Marco 132 040 12, EM2
Elektromagnetische Hupe mit Trichter aus Edelstahl. Die starke elektromagnetische Klanggruppe ist sorgfältig geschützt, aus antikorrosivem Material hergestellt und die Verchromung ist salzhaltigkeitsbeständig. Komplett ausgestattet mit Haltebügel.
Hören Sie: Elektromagnetische Hupe mit Trichter aus Edelstahl.
Eigenschaften
- Elektromagnetische Hupe mit Trichter aus Edelstahl.
- Hoher Ton
Technische Daten
- Spannung: 12V
- Leistung: 5 AMP
- Hz: 370
- Länge: 400 mm
- dB (A) (2m): 118
- Schraubenmutter Ø: 97
- Gewicht: 1 kg
- Referenz: Marco 132 040 12
- Typ: EM2
Anleitungen
Installieren Sie das Horn in einem ausreichend starken Stück am Rahmen oder an der Karosserie, um schädliche Vibrationen zu vermeiden. Installieren Sie die Hupen leicht nach unten geneigt. Der serienmäßige Spoiler verhindert das Eindringen von Wasser und Fremdstoffen. Sie kann nur entfernt werden, wenn das Horn an einem geschützten Ort installiert ist und diese Entfernung erhöht erheblich die Intensität des Tons . Es ist keine Wartung erforderlich. Die Verwendung von Homs verursacht einen sehr geringen Kontaktverschleiß. Wenn ein Zurücksetzen erforderlich ist, erfolgt dies mit Hilfe der versiegelten Einstellschraube, die unter der Abdeckung angebracht ist und nach dem Entfernen der Schraube unter der Marke iabal abgenommen werden kann.DIE ABSCHNITTE DER KABEL MÜSSEN DIE IM SCHALTUNGSSYSTEM ANGEGEBENEN SEHEN!
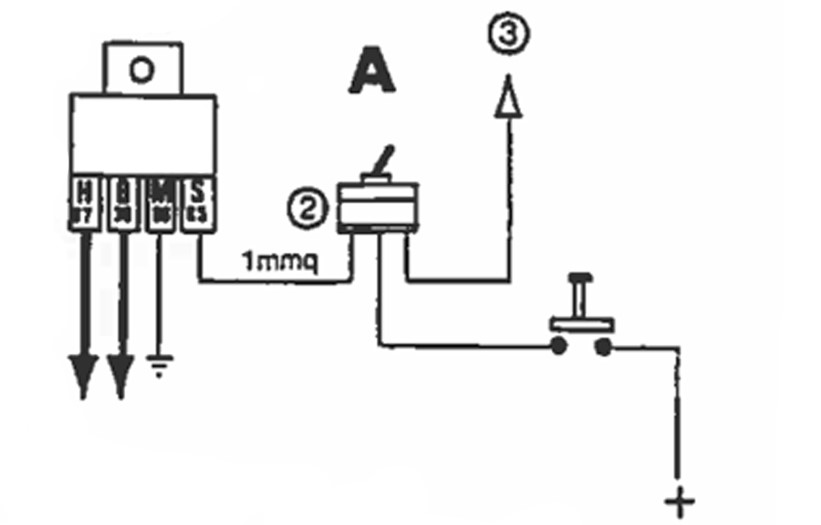
Diagramm

Mit Druckknopfschalter am Pluskabel 1. Sicherung 12V 20A – 24V 10A 2. Schneiden Sie vorhandene Kabel ab und setzen Sie einen 3-poligen Verbindungsschalter ein 3. Zur Originalausrüstung Hupe

Mit Druckknopfschalter am Pluskabel 1. Sicherung 12V 20A – 24V 10A 2. Schneiden Sie vorhandene Kabel ab und setzen Sie einen 3-poligen Verbindungsschalter ein 3. Zur Originalausrüstung Hupe

Dimensionen

Über MARCO
MARCOstellt elektrische und Drucklufthörner für Autos, Lastwagen und Boote sowie elektrische Pumpen für den Transport verschiedener Flüssigkeiten her.
Diese Produkte werden mit modernsten Produktionsmitteln wie Spektrumanalysatoren, Vibrationsständern und anderen hochentwickelten Instrumenten einschließlich einer schalltoten Kammer für die Entwicklung und Prüfung von Produkten hergestellt.
Durch den Einsatz fortschrittlicher Technologien kann MARCO heute die höchsten internationalen Qualitätsstandards erreichen und wettbewerbsfähige Produkte herstellen, die täglich in über 80 Länder exportiert werden.














